
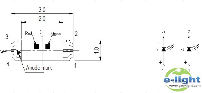
双晶系列:

三晶系列:

SMD B TYPE双晶、三晶产品编码原则 :

※SMD B TYPE双晶产品码别顺序编码原则






胶色 (Resin Color):
C : Water Clear
W : White Diffused
T : Trans
D : Diffused
分色等级区别 (λd Range Code Of Group & C.I.E Range Code Of Group):
只需分光不需分色,依据 SOP-3-143-D1 分光分色规格
Only divide Iv ,and no divideλd ,according to SOP-3-143-D1 SPEC.
A & B & C 等等…: 需分光分色,依据SOP-3-143-D1 规格
A & B & C etc...: Divide Iv and λd,according to SOP-3-143-D1 SPEC









